|
|
|
| Larry Stein Oklahoma County Assessor (405) 713-1200 - Public Access System |
|
|
|
|
|
|
| Real Property Display - Screen Produced 4/4/2026 1:04:27 AM | ||||
|---|---|---|---|---|
| Account: R204961250 | Type: Residential | Location: |
12210 CARDINAL LN |
|
| Building Name/Occupant: |
|
OKLAHOMA CITY |
||
| Owner Name 1: | LODES LANCE & LAURA M WORTHEN TRS |
Parcel PIN#: |
3488-20-496-1250 |
|
| Owner Name 2: | LODES LIVING TRUST | 1/4 section #: |
3488 |
|
| Owner Name 3: | Parent Acct: |
3488-16-862-2000 |
||
| Billing Address: | 12210 CARDINAL LN | Tax District: |
|
|
| City, State, Zip | EDMOND, OK 73013-8600 | School System: |
Oakdale #29 |
|
|
Country: (If noted) |
Land Size: |
1.2100 Acres |
||
|
Land Value: 148,830 |
|
|||
|
Sect 22-T13N-R2W Qtr NW |
SHADOW RIDGE I
Block
004
Lot
003
|
|||
| Full Legal Description: SHADOW RIDGE I 004 003 |
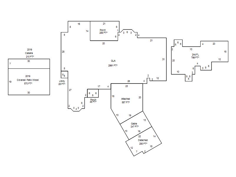
| Photo & Sketch (if available) | Comp Sales (ordered by relevancy) |
|
||||||||||||||||||
|
||||||||||||||||||||
| Value History (*The County Treasurer 405-713-1300 posts & collects actual tax amounts. Contact information HERE) | |||||||||||||
|---|---|---|---|---|---|---|---|---|---|---|---|---|---|
| Year | Market Value | Taxable Mkt Value | Gross Assessed | Exemption | Net Assessed | Millage | Est. Tax | Tax Savings | |||||
|
2026 |
1,017,000 |
881,047 |
96,914 |
1,000 |
95,914 |
102.96 |
$9,875 |
$1,643 |
|||||
|
2025 |
996,000 |
855,386 |
94,091 |
1,000 |
93,091 |
102.96 |
$9,585 |
$1,695 |
|||||
|
2024 |
968,000 |
830,472 |
91,351 |
1,000 |
90,351 |
102.01 |
$9,217 |
$1,645 |
|||||
|
2023 |
941,500 |
806,284 |
88,691 |
1,000 |
87,691 |
97.04 |
$8,510 |
$1,540 |
|||||
|
2022 |
803,000 |
782,800 |
86,108 |
1,000 |
85,108 |
98.64 |
$8,395 |
$318 |
|||||
| Property Account Status/Adjustments/Exemptions | ||
|---|---|---|
| Account # | Exemption Description | Amount |
|
R204961250 |
3% Cap Homestead |
0 |
|
R204961250 |
Homestead |
1,000 |
| Property Deed Transaction History (Recorded in the County Clerk's Office) | |||||||
|---|---|---|---|---|---|---|---|
| Date | Type | Book | Page | Price | Grantor | Grantee | |
|
2/3/2014 |
|
Deeds |
$0 |
LODES LANCE R & LAURA M WORTHEN |
LODES LANCE & LAURA M WORTHEN TRS |
||
|
10/16/2009 |
|
Deeds |
$555,000 |
CHUCK ROBINSON HOMES INC |
LODES LANCE R & LAURA M WORTHEN |
||
|
8/18/2008 |
|
Deeds |
$80,000 |
DANFORTH DEVELOPMENT LLC |
CHUCK ROBINSON HOMES INC |
||
| Last Mailed Notice of Value (N.O.V.) Information/History | ||||||||
|---|---|---|---|---|---|---|---|---|
| Year | Date | Market Value | Taxable Market Value | Gross Assessed | Exemption | Net Assessed | ||
|
2026 |
02/06/2026 |
1,017,000 |
881,047 |
96,914 |
1,000 |
95,914 |
||
|
2025 |
01/31/2025 |
996,000 |
855,386 |
94,091 |
1,000 |
93,091 |
||
|
2024 |
01/22/2024 |
968,000 |
830,472 |
91,351 |
1,000 |
90,351 |
||
|
2023 |
01/23/2023 |
941,500 |
806,284 |
88,691 |
1,000 |
87,691 |
||
|
2022 |
02/22/2022 |
803,000 |
782,800 |
86,108 |
1,000 |
85,108 |
||
| Property Building Permit History | ||||||
|---|---|---|---|---|---|---|
| Issued | Permit # | Provided by | Bldg # | Description | Est Construction Cost | Status |
|
8/28/2019 |
|
|
1 |
Storage Buil |
50,000 |
Inactive |
|
7/24/2019 |
|
|
1 |
Swimming Pool |
75,000 |
Inactive |
|
9/30/2008 |
10361851 |
OKLAHOMA CITY |
1 |
Main Dwellin |
500,000 |
Inactive |
| Click button on building number to access detailed information: | ||||||
|---|---|---|---|---|---|---|
| Bldg # | Vacant/Improved Land | Bldg Description | Year Built | SqFt | # Stories | |
|
1 |
Improved |
1½ Story Fin |
2009 |
3,790 |
1.5 Stories |
|