|
|
|
| Larry Stein Oklahoma County Assessor (405) 713-1200 - Public Access System |
|
|
|
|
|
|
| Real Property Display - Screen Produced 4/5/2026 6:53:27 AM | ||||
|---|---|---|---|---|
| Account: R128191160 | Type: Residential | Location: |
705 NW 158TH ST |
|
| Building Name/Occupant: |
|
OKLAHOMA CITY |
||
| Owner Name 1: | LEWIS GLEN I TRS |
Parcel PIN#: |
3616-12-819-1160 |
|
| Owner Name 2: | LEWIS GLEN I TRUST | 1/4 section #: |
3616 |
|
| Owner Name 3: | Parent Acct: |
|
||
| Billing Address: | 705 NW 158TH ST | Tax District: |
|
|
| City, State, Zip | EDMOND, OK 73013-1113 | School System: |
Edmond #12 |
|
|
Country: (If noted) |
Land Size: |
0.3379 Acres |
||
|
Land Value: 68,448 |
|
|||
|
Sect 4-T13N-R3W Qtr NW |
BRENTON HILLS SEC 1
Block
001
Lot
016
|
|||
| Full Legal Description: BRENTON HILLS SEC 1 001 016 |
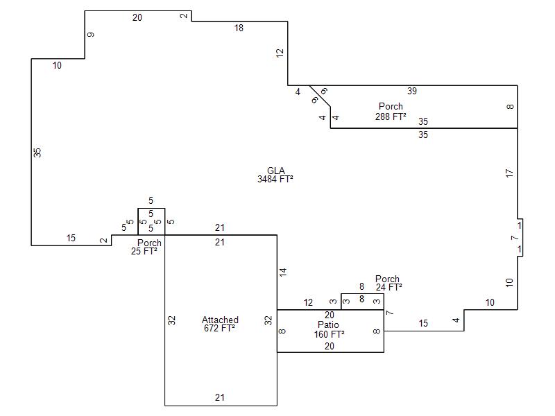
| Photo & Sketch (if available) | Comp Sales (ordered by relevancy) |
|
||||||||||||||||||
|
||||||||||||||||||||
| Value History (*The County Treasurer 405-713-1300 posts & collects actual tax amounts. Contact information HERE) | |||||||||||||
|---|---|---|---|---|---|---|---|---|---|---|---|---|---|
| Year | Market Value | Taxable Mkt Value | Gross Assessed | Exemption | Net Assessed | Millage | Est. Tax | Tax Savings | |||||
|
2026 |
464,000 |
393,961 |
43,335 |
1,000 |
42,335 |
120.32 |
$5,094 |
$1,047 |
|||||
|
2025 |
455,000 |
382,487 |
42,073 |
1,000 |
41,073 |
120.32 |
$4,942 |
$1,080 |
|||||
|
2024 |
442,000 |
371,347 |
40,847 |
1,000 |
39,847 |
119.96 |
$4,780 |
$1,052 |
|||||
|
2023 |
452,500 |
360,532 |
39,658 |
1,000 |
38,658 |
119.02 |
$4,601 |
$1,323 |
|||||
|
2022 |
375,500 |
350,032 |
38,502 |
1,000 |
37,502 |
120.10 |
$4,504 |
$457 |
|||||
| Property Account Status/Adjustments/Exemptions | ||
|---|---|---|
| Account # | Exemption Description | Amount |
|
R128191160 |
3% Cap Homestead |
0 |
|
R128191160 |
Homestead |
1,000 |
| Property Deed Transaction History (Recorded in the County Clerk's Office) | ||||||||||
|---|---|---|---|---|---|---|---|---|---|---|
| Date | Type | Book | Page | Price | Grantor | Grantee | ||||
|
5/28/2025 |
|
Deeds |
$0 |
LEWIS GLEN I & TAMMY M |
LEWIS GLEN I |
|||||
|
5/28/2025 |
|
Deeds |
$0 |
LEWIS GLEN I |
LEWIS GLEN I TRS |
|||||
|
8/28/1998 |
|
Historical |
$225,000 |
WINTERFIELD HOMES LLC |
LEWIS GLEN I & TAMMY M |
|||||
|
10/21/1997 |
|
Historical |
$0 |
WILLOW INVESTORS LLC |
WINTERFIELD HOMES LLC |
|||||
|
6/7/1996 |
|
Historical |
$61,461 |
ROMART INC |
WILLOW INVESTORS LLC |
|||||
| Last Mailed Notice of Value (N.O.V.) Information/History | ||||||||
|---|---|---|---|---|---|---|---|---|
| Year | Date | Market Value | Taxable Market Value | Gross Assessed | Exemption | Net Assessed | ||
|
2026 |
02/23/2026 |
464,000 |
393,961 |
43,335 |
1,000 |
42,335 |
||
|
2025 |
02/14/2025 |
455,000 |
382,487 |
42,073 |
1,000 |
41,073 |
||
|
2024 |
02/13/2024 |
442,000 |
371,347 |
40,847 |
1,000 |
39,847 |
||
|
2023 |
02/14/2023 |
452,500 |
360,532 |
39,658 |
1,000 |
38,658 |
||
|
2022 |
03/15/2022 |
375,500 |
350,032 |
38,502 |
1,000 |
37,502 |
||
| Property Building Permit History | ||||||
|---|---|---|---|---|---|---|
| Issued | Permit # | Provided by | Bldg # | Description | Est Construction Cost | Status |
|
10/6/1997 |
10220677 |
OKLAHOMA CITY |
1 |
Main Dwellin |
166,640 |
Inactive |
| Click button on building number to access detailed information: | ||||||
|---|---|---|---|---|---|---|
| Bldg # | Vacant/Improved Land | Bldg Description | Year Built | SqFt | # Stories | |
|
1 |
Improved |
Ranch 1 Story |
1998 |
3,484 |
1 Stories |
|