Larry Stein Oklahoma County Assessor (405) 713-1200 - Public Access System
Home Contact Us Guest Book Map Search New Search
Building Detail Results - Screen Produced   4/15/2026 4:47:41 AM 
 Account #:  R064146050 Bldg #1
Sketch

 Building #: 1
 Built As:  1½ Story Fin
 # of Stories:  1.5 Stories
 Square Feet:  1,697
 Year Built:  1924
 Remodel Year:  1991
 Building Name:   
 Alt Land Use Desc:  Platted
 Quality Desc:  Fair
 Bldg Frame Description:  
 Foundation Desc:  Conventional
 Bldg Exterior:  Frame Hardboard
 Roof Type:  Gable
 Roof Cover:   Composition Shingle
 Avg Floor Height:  8
 Percent Sprinkled:  0
 Bldg Interior:  Drywall
 Total Rooms:  10
 # of Units w/Bedrooms: # of units (1) with 4 Bedrooms
 # of Baths:  (3)-Full, (0)-3/4, (0)-half
 HVAC Type:  Central Air to Air
 # of Fire Places:  0
 Percent Heated:  100
 Physical Condition:  Average
 # of Res Units:  1
 # of Comm Units:  0
 Commercial Desc:   
 Occ Type:  0100
 Commercial Class:  R
 MFG Home Length:  0
 MFG Home Width:  0

Photos

2024 

2020 

2016 

2012 

2008 

2004 

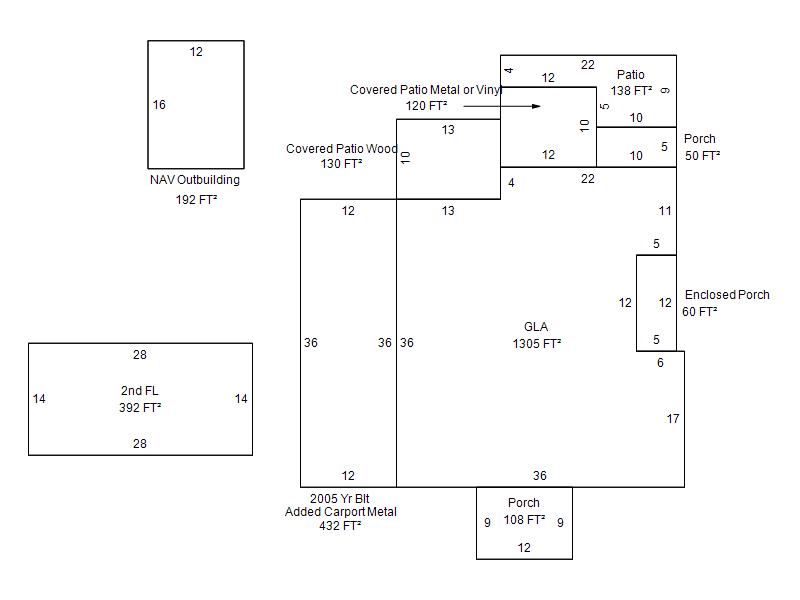
Garage, Porch, Basement, Storage, Utility etc.  (GLA=Gross Living Area    GBA=Gross Bldg Area)
Account # Feature Description Sqft/Area Number of Stories

R064146050

 GLA

 GLA

1,305 

1

R064146050

 GLA2

 2nd FL

392 

1

R064146050

 PorOpenSl

 Patio

138 

1

R064146050

 PorWood R

 Porch

108 

1

R064146050

 PorEncSld

 Enclosed Porch

60 

1

R064146050

 PorWood R

 Porch

50 

1

Additional Details
Account #: Bldg # Description Qty # Of Units Description

R064146050

1

Added Carport Metal

1

432 

Square Feet

R064146050

1

Allowance

1

Units

R064146050

1

Covered Patio Metal or Vinyl

1

120 

Square Feet

R064146050

1

Covered Patio Wood

1

130 

Square Feet

R064146050

1

Driveway Slab

1

1,600 

Square Feet

R064146050

1

Exempt Storm Shelter

1

Square Feet

R064146050

1

Laundry Facility

1

Square Feet

R064146050

1

NAV Outbuilding

1

192 

Square Feet