Larry Stein Oklahoma County Assessor (405) 713-1200 - Public Access System
Home Contact Us Guest Book Map Search New Search
Building Detail Results - Screen Produced   4/9/2026 9:22:37 AM 
 Account #:  R134990555 Bldg #1
Sketch

 Building #: 1
 Built As:  Townhouse One Story
 # of Stories:  1 Stories
 Square Feet:  1,264
 Year Built:  1983
 Remodel Year:   
 Building Name:   
 Alt Land Use Desc:  Platted
 Quality Desc:  Fair
 Bldg Frame Description:  
 Foundation Desc:  Slab
 Bldg Exterior:  Frame Masonry Veneer
 Roof Type:  Gable
 Roof Cover:   Composition Shingle
 Avg Floor Height:  8
 Percent Sprinkled:  0
 Bldg Interior:  Drywall
 Total Rooms:  6
 # of Units w/Bedrooms: # of units (1) with 2 Bedrooms
 # of Baths:  (2)-Full, (0)-3/4, (0)-half
 HVAC Type:  Central Air to Air
 # of Fire Places:  1
 Percent Heated:  100
 Physical Condition:  Average
 # of Res Units:  1
 # of Comm Units:  0
 Commercial Desc:   
 Occ Type:  0108
 Commercial Class:  TH
 MFG Home Length:  0
 MFG Home Width:  0

Photos

2022 

2018 

2014 

2010 

2006 

2003 

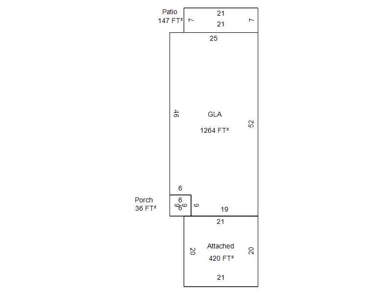
Garage, Porch, Basement, Storage, Utility etc.  (GLA=Gross Living Area    GBA=Gross Bldg Area)
Account # Feature Description Sqft/Area Number of Stories

R134990555

 GLA

 GLA

1,264 

1

R134990555

 GarAttach

 Attached

420 

1

R134990555

 PorOpenSl

 Patio

147 

1

R134990555

 PorWood R

 Porch

36 

1

Additional Details
Account #: Bldg # Description Qty # Of Units Description

R134990555

1

Allowance

1

Units

R134990555

1

Laundry Facility

1

Square Feet