|
|
|
| Larry Stein Oklahoma County Assessor (405) 713-1200 - Public Access System |
|
|
|
|
|
|
| Real Property Display - Screen Produced 4/8/2026 5:00:08 AM | ||||
|---|---|---|---|---|
| Account: R124061105 | Type: Residential | Location: |
1108 JAMESTOWN CIR |
|
| Building Name/Occupant: |
|
EDMOND |
||
| Owner Name 1: | NONDORF ERIK L |
Parcel PIN#: |
4733-12-406-1105 |
|
| Owner Name 2: | NONDORF TRINA C | 1/4 section #: |
4733 |
|
| Owner Name 3: | Parent Acct: |
|
||
| Billing Address: | 1108 JAMESTOWN CIR | Tax District: |
|
|
| City, State, Zip | EDMOND, OK 73003-6148 | School System: |
Edmond #12 |
|
|
Country: (If noted) |
Land Size: |
0.3432 Acres |
||
|
Land Value: 59,792 |
|
|||
|
Sect 34-T14N-R3W Qtr NE |
COPPERFIELD TO EDM BLKS 8-14
Block
009
Lot
020
|
|||
| Full Legal Description: COPPERFIELD TO EDM BLKS 8-14 009 020 |
| Photo & Sketch (if available) | Comp Sales (ordered by relevancy) |
|
|||||||||||||||
|
|||||||||||||||||
| Value History (*The County Treasurer 405-713-1300 posts & collects actual tax amounts. Contact information HERE) | |||||||||||||
|---|---|---|---|---|---|---|---|---|---|---|---|---|---|
| Year | Market Value | Taxable Mkt Value | Gross Assessed | Exemption | Net Assessed | Millage | Est. Tax | Tax Savings | |||||
|
2026 |
289,000 |
222,947 |
24,523 |
1,000 |
23,523 |
105.16 |
$2,474 |
$869 |
|||||
|
2025 |
292,500 |
216,454 |
23,809 |
1,000 |
22,809 |
105.16 |
$2,399 |
$985 |
|||||
|
2024 |
287,500 |
210,150 |
23,116 |
1,000 |
22,116 |
105.03 |
$2,323 |
$999 |
|||||
|
2023 |
268,000 |
204,030 |
22,442 |
1,000 |
21,442 |
104.24 |
$2,235 |
$838 |
|||||
|
2022 |
229,000 |
198,088 |
21,789 |
1,000 |
20,789 |
104.64 |
$2,175 |
$460 |
|||||
| Property Account Status/Adjustments/Exemptions | ||
|---|---|---|
| Account # | Exemption Description | Amount |
|
R124061105 |
3% Cap Homestead |
0 |
|
R124061105 |
Homestead |
1,000 |
| Property Deed Transaction History (Recorded in the County Clerk's Office) | |||||||
|---|---|---|---|---|---|---|---|
| Date | Type | Book | Page | Price | Grantor | Grantee | |
|
10/4/2013 |
|
Deeds |
$169,500 |
VOWELL PAUL R & ELIZABETH A |
NONDORF ERIK L |
||
|
8/17/1995 |
|
Historical |
$118,500 |
JACKSON ALAN W |
VOWELL PAUL R & ELIZABETH A |
||
|
7/31/1992 |
|
Historical |
$99,000 |
JAMES DAVID M & KATHLEEN D |
JACKSON ALAN W |
||
|
12/1/1984 |
|
Historical |
$109,400 |
|
JAMES DAVID M & KATHLEEN D |
||
| Last Mailed Notice of Value (N.O.V.) Information/History | ||||||||
|---|---|---|---|---|---|---|---|---|
| Year | Date | Market Value | Taxable Market Value | Gross Assessed | Exemption | Net Assessed | ||
|
2026 |
02/06/2026 |
289,000 |
222,947 |
24,523 |
1,000 |
23,523 |
||
|
2025 |
01/31/2025 |
292,500 |
216,454 |
23,809 |
1,000 |
22,809 |
||
|
2024 |
01/22/2024 |
287,500 |
210,150 |
23,116 |
1,000 |
22,116 |
||
|
2023 |
01/23/2023 |
268,000 |
204,030 |
22,442 |
1,000 |
21,442 |
||
|
2022 |
02/22/2022 |
229,000 |
198,088 |
21,788 |
1,000 |
20,788 |
||
| Property Building Permit History | |||||||||||
|---|---|---|---|---|---|---|---|---|---|---|---|
| Issued | Permit # | Provided by | Bldg # | Description | Est Construction Cost | Status | |||||
| No Building Permit records returned. | |||||||||||
| Click button on building number to access detailed information: | ||||||
|---|---|---|---|---|---|---|
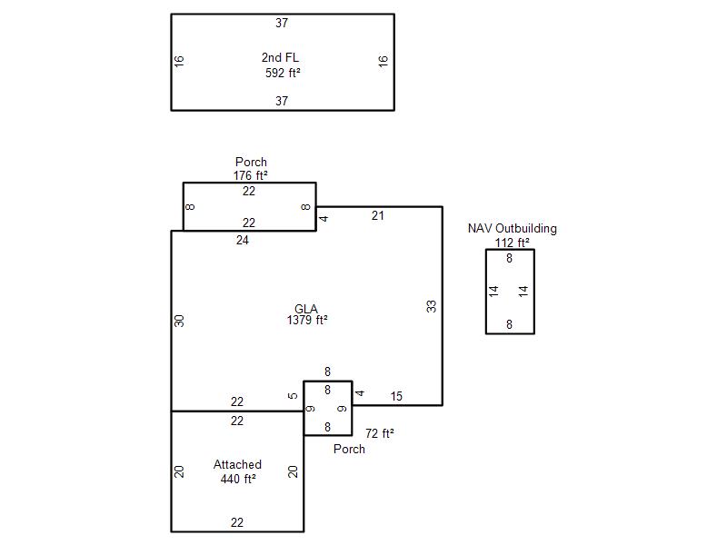
| Bldg # | Vacant/Improved Land | Bldg Description | Year Built | SqFt | # Stories | |
|
1 |
Improved |
1½ Story Fin |
1984 |
1,971 |
1.5 Stories |
|