Larry Stein Oklahoma County Assessor (405) 713-1200 - Public Access System
Home Contact Us Guest Book Map Search New Search
Real Property Display - Screen Produced   4/28/2026 4:18:07 PM 
Account: R257112095  Type: Residential

  

Location:

4145 ST CROIX DR

Building Name/Occupant:

 

UNINCORPORATED

Owner Name 1:  DICKERSON TINA DAWN TRS

Parcel PIN#:

4844-25-711-2095

Owner Name 2:  SANCHEZ ALEJANDRA TRS 1/4 section #:

4844

Owner Name 3:   ROBLES DOS TRUST Parent Acct:

 

Billing Address:  4145 SAINT CROIX DR Tax District:

City, State, Zip  EDMOND, OK  73025-9139 School System:

Deer Creek #6

Country: (If noted)

  

Land Size:

5.0800  Acres

Personal Property

Land Value: 84,430 

Treasurer:

Sect 11-T14N-R4W Qtr NW

 DEER CREEK TOWNSHIP   Block 000  Lot 000   Subdivision Sales
 Full Legal Description:  DEER CREEK TOWNSHIP PT NW4 SEC 11 14N 4W BEG 1218.97FT E & 999.52FT S & 226.47FT SE & 262.23FT SE OF NW/C NW4 TH ELY741.09FT SLY ON A CURVE77.99FT TH SLY ON A CURVE 234.44FT W661.32FT NLY317.77FT TOBEG SUBJ TO ESMTS OF RECORD AKA LT 3 BLK 2 WOODBRIDGE UNREC

NOTE:  The following sales may or may not be used to determine Fair Market Value

Photo & Sketch (if available) Sales  Sales Report

 4145 ST CROIX DR UNINCORPORATED, OK

11/27/2023

 $485,000 

 4117 NW 220TH ST UNINCORPORATED, OK

07/21/2025

 $540,000 

 6713 N SOONER RD UNINCORPORATED, OK

04/29/2025

 $565,000 

 4075 ST CROIX DR UNINCORPORATED, OK

07/09/2025

 $645,000 

 22122 RICKASHA DR UNINCORPORATED, OK

05/03/2024

 $315,000 

 18609 ALBERTO PL OKLAHOMA CITY, OK

12/17/2025

 $485,000 

Value History  (*The County Treasurer 405-713-1300 posts & collects actual tax amounts.  Contact information  HERE)
Year Market Value Taxable Mkt Value Gross Assessed Exemption Net Assessed Millage Est. Tax Tax Savings

2026

460,000 

460,000 

50,600 

1,000 

49,600 

114.35 

$5,672 

$114 

2025

502,500 

497,490 

54,723 

1,000 

53,723 

114.35 

$6,143 

$177 

2024

483,000 

483,000 

53,130 

53,130 

116.19 

$6,173 

$0 

[1/9]
Property Account Status/Adjustments/Exemptions
Account # Exemption Description Amount

R257112095

3% Cap Homestead

R257112095

Homestead

1,000 

Property Deed Transaction History   (Recorded in the County Clerk's Office)
Date Type Book Page Price Grantor Grantee

3/11/2025

Deeds

16038

1432

 $0 

DICKERSON TINA DAWN

DICKERSON TINA DAWN TRS

11/27/2023

Deeds

15616

1616

 $485,000 

SMITH MARY E

DICKERSON TINA DAWN

3/19/2010

Deeds

11328

1907

 $0 

SMITH CHARLES H

SMITH MARY E

[1/2]
Last Mailed Notice of Value (N.O.V.) Information/History
Year Date Market Value Taxable Market Value Gross Assessed Exemption Net Assessed

2025

01/31/2025

502,500 

497,490 

54,723 

1,000 

53,723 

2024

01/22/2024

483,000 

483,000 

53,130 

53,130 

2023

01/23/2023

511,000 

180,707 

19,877 

1,000 

18,877 

[1/4]
Property Building Permit History
Issued Permit # Provided by Bldg # Description Est Construction Cost Status

3/31/2000

10277442

COUNTY

1

Main Dwellin

150,000 

Inactive

Click button below to access detailed information and additional property photos:
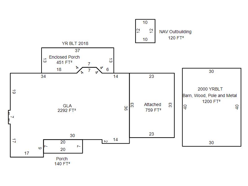
  Bldg # Vacant/Improved Land Bldg Description Year Built SqFt # Stories

Click

1

Improved

Ranch 1 Story

2000

2,292 

1 Stories