Larry Stein Oklahoma County Assessor (405) 713-1200 - Public Access System
Home Contact Us Guest Book Map Search New Search
Building Detail Results - Screen Produced   4/3/2026 10:40:55 PM 
 Account #:  R156771120 Bldg #1
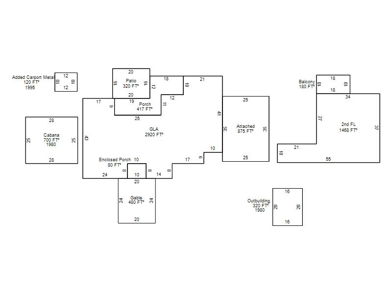
Sketch

 Building #: 1
 Built As:  1½ Story Fin
 # of Stories:  1.5 Stories
 Square Feet:  4,388
 Year Built:  1979
 Remodel Year:  2021
 Building Name:   
 Alt Land Use Desc:  Platted
 Quality Desc:  Good
 Bldg Frame Description:  
 Foundation Desc:  Slab
 Bldg Exterior:  Frame Masonry Veneer
 Roof Type:  Gable
 Roof Cover:   Composition Shingle
 Avg Floor Height:  8
 Percent Sprinkled:  0
 Bldg Interior:  Drywall
 Total Rooms:  9
 # of Units w/Bedrooms: # of units (1) with 4 Bedrooms
 # of Baths:  (3)-Full, (1)-3/4, (0)-half
 HVAC Type:  Central Air to Air
 # of Fire Places:  2
 Percent Heated:  100
 Physical Condition:  Average
 # of Res Units:  1
 # of Comm Units:  0
 Commercial Desc:   
 Occ Type:  0100
 Commercial Class:  R
 MFG Home Length:  0
 MFG Home Width:  0

Photos

2023 

2019 

2015 

2010 

2008 

2006 

2003 

Garage, Porch, Basement, Storage, Utility etc.  (GLA=Gross Living Area    GBA=Gross Bldg Area)
Account # Feature Description Sqft/Area Number of Stories

R156771120

 GLA

 GLA

2,920 

1

R156771120

 GLA2

 2nd FL

1,468 

1

R156771120

 GarAttach

 Attached

875 

1

R156771120

 CarGable

 Gable

480 

1

R156771120

 PorWood R

 Porch

417 

1

R156771120

 PorOpenSl

 Patio

320 

1

R156771120

 BalWd F

 Balcony

180 

1

R156771120

 PorEncSld

 Enclosed Porch

80 

1

Additional Details
Account #: Bldg # Description Qty # Of Units Description

R156771120

1

Added Carport Metal

1

120 

Square Feet

R156771120

1

Allowance

1

Units

R156771120

1

Cabana

1

700 

Square Feet

R156771120

1

Driveway Slab

1

3,000 

Square Feet

R156771120

1

Exempt Storm Shelter

1

Square Feet

R156771120

1

Laundry Facility

1

Square Feet

R156771120

1

Outbuilding

1

320 

Square Feet

R156771120

1

Swimming Pool

1

760 

Square Feet

R156771120

1

Tennis Court

1

7,200 

Square Feet