Larry Stein Oklahoma County Assessor (405) 713-1200 - Public Access System
Home Contact Us Guest Book Map Search New Search
Building Detail Results - Screen Produced   3/5/2026 11:07:01 PM 
 Account #:  R033071375 Bldg #1
Sketch

 Building #: 1
 Built As:  Ranch 1 Story
 # of Stories:  1 Stories
 Square Feet:  1,335
 Year Built:  2006
 Remodel Year:   
 Building Name:   
 Alt Land Use Desc:  Platted
 Quality Desc:  Fair
 Bldg Frame Description:  
 Foundation Desc:  Slab
 Bldg Exterior:  Frame Masonry Veneer
 Roof Type:  Gable
 Roof Cover:   Composition Shingle
 Avg Floor Height:  8
 Percent Sprinkled:  0
 Bldg Interior:  Drywall
 Total Rooms:  6
 # of Units w/Bedrooms: # of units (1) with 3 Bedrooms
 # of Baths:  (2)-Full, (0)-3/4, (0)-half
 HVAC Type:  Central Air to Air
 # of Fire Places:  1
 Percent Heated:  100
 Physical Condition:  Average
 # of Res Units:  1
 # of Comm Units:  0
 Commercial Desc:   
 Occ Type:  0100
 Commercial Class:  R
 MFG Home Length:  0
 MFG Home Width:  0

Photos

2024 

2020 

2016 

2012 

2006 

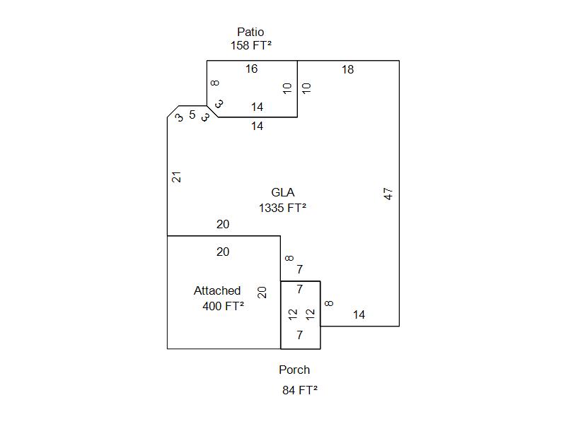
Garage, Porch, Basement, Storage, Utility etc.  (GLA=Gross Living Area    GBA=Gross Bldg Area)
Account # Feature Description Sqft/Area Number of Stories

R033071375

 GLA

 GLA

1,335 

1

R033071375

 GarAttach

 Attached

400 

1

R033071375

 PorOpenSl

 Patio

158 

1

R033071375

 PorWood R

 Porch

84 

1

Additional Details
Account #: Bldg # Description Qty # Of Units Description

R033071375

1

Allowance

1

Units

R033071375

1

Laundry Facility

1

Square Feet