Larry Stein Oklahoma County Assessor (405) 713-1200 - Public Access System
Home Contact Us Guest Book Map Search New Search
Building Detail Results - Screen Produced   4/4/2026 4:23:42 AM 
 Account #:  R134853750 Bldg #1
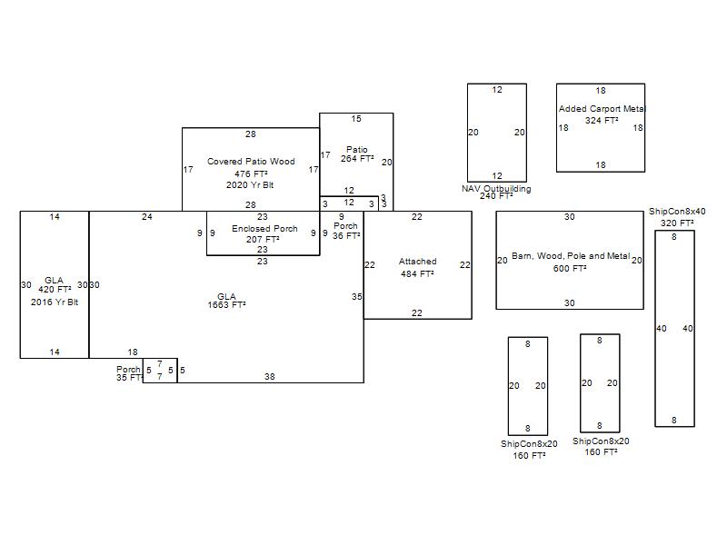
Sketch

 Building #: 1
 Built As:  Ranch 1 Story
 # of Stories:  1 Stories
 Square Feet:  2,083
 Year Built:  1949
 Remodel Year:   
 Building Name:   
 Alt Land Use Desc:  Unplatted Under 5 Acres
 Quality Desc:  Fair
 Bldg Frame Description:  
 Foundation Desc:  Conventional
 Bldg Exterior:  Masonry Concrete Block
 Roof Type:  Gable
 Roof Cover:   Composition Shingle
 Avg Floor Height:  8
 Percent Sprinkled:  0
 Bldg Interior:  Drywall
 Total Rooms:  5
 # of Units w/Bedrooms: # of units (1) with 2 Bedrooms
 # of Baths:  (1)-Full, (0)-3/4, (0)-half
 HVAC Type:  Central Air to Air
 # of Fire Places:  1
 Percent Heated:  100
 Physical Condition:  Average
 # of Res Units:  1
 # of Comm Units:  0
 Commercial Desc:   
 Occ Type:  0100
 Commercial Class:  R
 MFG Home Length:  0
 MFG Home Width:  0

Photos

2021 

2017 

2013 

2009 

2006 

2003 

Garage, Porch, Basement, Storage, Utility etc.  (GLA=Gross Living Area    GBA=Gross Bldg Area)
Account # Feature Description Sqft/Area Number of Stories

R134853750

 GLA

 GLA

1,663 

1

R134853750

 GarAttach

 Attached

484 

1

R134853750

 GLA

 GLA

420 

1

R134853750

 PorOpenSl

 Patio

264 

1

R134853750

 PorEncSld

 Enclosed Porch

207 

1

R134853750

 PorWood R

 Porch

36 

1

R134853750

 PorWood R

 Porch

35 

1

Additional Details
Account #: Bldg # Description Qty # Of Units Description

R134853750

1

Added Carport Metal

1

324 

Square Feet

R134853750

1

Allowance

1

Units

R134853750

1

Barn, Wood, Pole and Metal

1

600 

Square Feet

R134853750

1

Covered Patio Wood

1

476 

Square Feet

R134853750

1

Laundry Facility

1

Square Feet

R134853750

1

NAV Outbuilding

1

240 

Square Feet

R134853750

1

ShipCon8x20

1

160 

Square Feet

R134853750

1

ShipCon8x40

1

320 

Square Feet