Larry Stein Oklahoma County Assessor (405) 713-1200 - Public Access System
Home Contact Us Guest Book Map Search New Search
Building Detail Results - Screen Produced   4/23/2026 3:36:41 PM 
 Account #:  R180201022 Bldg #1
Sketch

 Building #: 1
 Built As:  1½ Story Fin
 # of Stories:  1.5 Stories
 Square Feet:  4,199
 Year Built:  2003
 Remodel Year:   
 Building Name:   
 Alt Land Use Desc:  Unplatted 5 Acres or more
 Quality Desc:  Very Good
 Bldg Frame Description:  
 Foundation Desc:  Slab
 Bldg Exterior:  Frame Brick Veneer
 Roof Type:  Hip/Gable
 Roof Cover:   Composition Shingle
 Avg Floor Height:  8
 Percent Sprinkled:  0
 Bldg Interior:  Drywall
 Total Rooms:  7
 # of Units w/Bedrooms: # of units (1) with 3 Bedrooms
 # of Baths:  (2)-Full, (0)-3/4, (1)-half
 HVAC Type:  Central Air to Air
 # of Fire Places:  2
 Percent Heated:  100
 Physical Condition:  Average
 # of Res Units:  1
 # of Comm Units:  0
 Commercial Desc:   
 Occ Type:  0100
 Commercial Class:  R
 MFG Home Length:  0
 MFG Home Width:  0

Photos

2023 

2019 

2015 

2011 

2008 

2005 

2004 

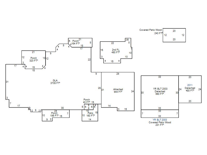
Garage, Porch, Basement, Storage, Utility etc.  (GLA=Gross Living Area    GBA=Gross Bldg Area)
Account # Feature Description Sqft/Area Number of Stories

R180201022

 GLA

 GLA

3,709 

1

R180201022

 GarDetach

 Detached

990 

1

R180201022

 GarAttach

 Attached

944 

1

R180201022

 GLA2

 2nd FL

490 

1

R180201022

 GarDetach

 Detached

480 

1

R180201022

 PorWood R

 Porch

320 

1

R180201022

 PorWood R

 Porch

195 

1

R180201022

 PorWood R

 Porch

164 

1

R180201022

 PorOpenSl

 Patio

160 

1

R180201022

 PorWood R

 Porch

40 

1

Additional Details
Account #: Bldg # Description Qty # Of Units Description

R180201022

1

Allowance

1

Units

R180201022

1

Covered Patio Wood

1

231 

Square Feet

R180201022

1

Covered Patio Wood

1

240 

Square Feet

R180201022

1

Driveway Slab

1

1,000 

Square Feet

R180201022

1

Hot Tub

1

Units

R180201022

1

Laundry Facility

1

Square Feet

R180201022

1

Swimming Pool

1

325 

Square Feet