Larry Stein Oklahoma County Assessor (405) 713-1200 - Public Access System
Home Contact Us Guest Book Map Search New Search
Building Detail Results - Screen Produced   4/28/2026 5:50:43 PM 
 Account #:  R257112095 Bldg #1
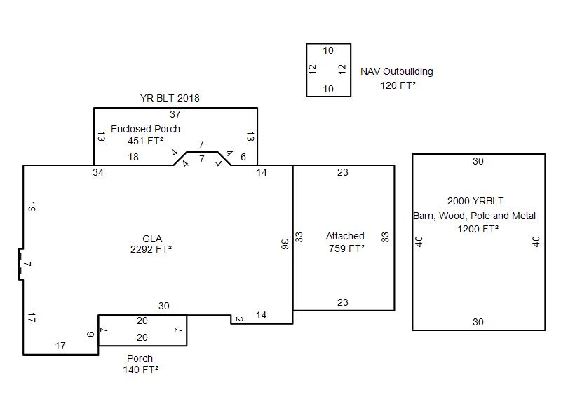
Sketch

 Building #: 1
 Built As:  Ranch 1 Story
 # of Stories:  1 Stories
 Square Feet:  2,292
 Year Built:  2000
 Remodel Year:   
 Building Name:   
 Alt Land Use Desc:  Unplatted 5 Acres or more
 Quality Desc:  Good
 Bldg Frame Description:  
 Foundation Desc:  Slab
 Bldg Exterior:  Frame Masonry Veneer
 Roof Type:  Hip/Gable
 Roof Cover:   Composition Shingle
 Avg Floor Height:  8
 Percent Sprinkled:  0
 Bldg Interior:  Drywall
 Total Rooms:  7
 # of Units w/Bedrooms: # of units (1) with 3 Bedrooms
 # of Baths:  (2)-Full, (0)-3/4, (0)-half
 HVAC Type:  Central Air to Air
 # of Fire Places:  1
 Percent Heated:  100
 Physical Condition:  Average
 # of Res Units:  1
 # of Comm Units:  0
 Commercial Desc:   
 Occ Type:  0100
 Commercial Class:  R
 MFG Home Length:  0
 MFG Home Width:  0

Photos

2022 

2019 

2015 

2011 

2004 

2003 

Garage, Porch, Basement, Storage, Utility etc.  (GLA=Gross Living Area    GBA=Gross Bldg Area)
Account # Feature Description Sqft/Area Number of Stories

R257112095

 GLA

 GLA

2,292 

1

R257112095

 GarAttach

 Attached

759 

1

R257112095

 PorEncSld

 Enclosed Porch

451 

1

R257112095

 PorWood R

 Porch

140 

1

Additional Details
Account #: Bldg # Description Qty # Of Units Description

R257112095

1

Allowance

1

Units

R257112095

1

Barn, Wood, Pole and Metal

1

1,200 

Square Feet

R257112095

1

Exempt Storm Shelter

1

Square Feet

R257112095

1

Laundry Facility

1

Square Feet

R257112095

1

NAV Outbuilding

1

120 

Square Feet