Larry Stein Oklahoma County Assessor (405) 713-1200 - Public Access System
Home Contact Us Guest Book Map Search New Search
Building Detail Results - Screen Produced   3/16/2026 3:53:42 PM 
 Account #:  R091472440 Bldg #1
Sketch

 Building #: 1
 Built As:  Indust Lght Manufacturing
 # of Stories:  1 Stories
 Square Feet:  9,084
 Year Built:  2015
 Remodel Year:   
 Building Name:  QUALITY METAL
 Alt Land Use Desc:  Platted Commercial
 Quality Desc:  Fair
 Bldg Frame Description:  Metal Frame
 Foundation Desc:  Slab
 Bldg Exterior:  Metal Siding
 Roof Type:  Gable
 Roof Cover:   Formed Seam Metal
 Avg Floor Height:  14
 Percent Sprinkled:  0
 Bldg Interior:  
 Total Rooms:   
 # of Units w/Bedrooms: # of units ( ) with   Bedrooms
 # of Baths:  (0)-Full, (0)-3/4, (0)-half
 HVAC Type:  Space Heater
 # of Fire Places:  0
 Percent Heated:  100
 Physical Condition:  Good
 # of Res Units:  0
 # of Comm Units:  1
 Commercial Desc:   
 Occ Type:  0334
 Commercial Class:  C
 MFG Home Length:  0
 MFG Home Width:  0

Photos

2021 

2017 

2015 

2014 

2013 

2009 

2005 

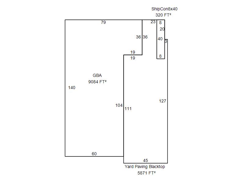
Garage, Porch, Basement, Storage, Utility etc.  (GLA=Gross Living Area    GBA=Gross Bldg Area)
Account # Feature Description Sqft/Area Number of Stories

R091472440

 GBA

 GBA

9,084 

1

Additional Details
Account #: Bldg # Description Qty # Of Units Description

R091472440

1

ShipCon8x40

1

320 

Square Feet

R091472440

1

Yard Paving Blacktop

1

5,871 

Square Feet