Larry Stein Oklahoma County Assessor (405) 713-1200 - Public Access System
Home Contact Us Guest Book Map Search New Search
Building Detail Results - Screen Produced   3/13/2026 2:15:48 AM 
 Account #:  R194811095 Bldg #1
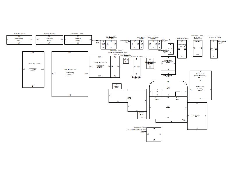
Sketch

 Building #: 1
 Built As:  2 Story
 # of Stories:  2 Stories
 Square Feet:  1,890
 Year Built:  1997
 Remodel Year:  2017
 Building Name:   
 Alt Land Use Desc:  Unplatted 5 Acres or more
 Quality Desc:  Average
 Bldg Frame Description:  
 Foundation Desc:  Slab
 Bldg Exterior:  Frame Masonry Veneer
 Roof Type:  Gable
 Roof Cover:   Composition Shingle
 Avg Floor Height:  8
 Percent Sprinkled:  0
 Bldg Interior:  Drywall
 Total Rooms:  8
 # of Units w/Bedrooms: # of units (1) with 3 Bedrooms
 # of Baths:  (2)-Full, (0)-3/4, (1)-half
 HVAC Type:  Central Air to Air
 # of Fire Places:  2
 Percent Heated:  100
 Physical Condition:  Average
 # of Res Units:  1
 # of Comm Units:  0
 Commercial Desc:   
 Occ Type:  0100
 Commercial Class:  R
 MFG Home Length:  0
 MFG Home Width:  0

Photos

2023 

2019 

2016 

2015 

2010 

2008 

2006 

Garage, Porch, Basement, Storage, Utility etc.  (GLA=Gross Living Area    GBA=Gross Bldg Area)
Account # Feature Description Sqft/Area Number of Stories

R194811095

 GLA

 GLA

1,050 

1

R194811095

 GLA2

 2nd FL

840 

1

R194811095

 GarFinConv

 Fin Converted

660 

1

R194811095

 PorOpenSl

 Patio

608 

1

R194811095

 PorWood R

 Porch

140 

1

R194811095

 BalWd F

 Balcony

80 

1

R194811095

 BalWd F

 Balcony

60 

1

R194811095

 PorWood R

 Porch

60 

1

R194811095

 PorWood R

 Porch

25 

1

Additional Details
Account #: Bldg # Description Qty # Of Units Description

R194811095

1

Allowance

1

Units

R194811095

1

Covered Patio Metal or Vinyl

1

240 

Square Feet

R194811095

1

Covered Patio Metal or Vinyl

1

256 

Square Feet

R194811095

1

Covered Patio Wood

1

216 

Square Feet

R194811095

1

Covered Patio Wood

1

256 

Square Feet

R194811095

1

Laundry Facility

1

Square Feet

R194811095

1

Lean To

1

300 

Square Feet

R194811095

1

NAV Lean To

1

40 

Square Feet

R194811095

1

NAV Lean To

1

50 

Square Feet

R194811095

1

NAV Outbuilding

1

100 

Square Feet

R194811095

1

NAV Outbuilding

1

120 

Square Feet

R194811095

1

NAV Outbuilding

1

36 

Square Feet

R194811095

1

NAV Outbuilding

1

72 

Square Feet

R194811095

1

NAV Outbuilding

1

96 

Square Feet

R194811095

1

Outbuilding

1

180 

Square Feet

R194811095

1

Outbuilding

1

2,000 

Square Feet

R194811095

1

Outbuilding

1

200 

Square Feet

R194811095

1

Outbuilding

1

280 

Square Feet

R194811095

1

Outbuilding

1

300 

Square Feet

R194811095

1

Outbuilding

1

552 

Square Feet

R194811095

1

Outbuilding

1

576 

Square Feet

R194811095

1

Outbuilding

1

960 

Square Feet

R194811095

1

ShipCon8x20

1

160 

Square Feet

R194811095

1

ShipCon8x20

1

160 

Square Feet

R194811095

1

Wood Deck Pine

1

64 

Square Feet