Larry Stein Oklahoma County Assessor (405) 713-1200 - Public Access System
Home Contact Us Guest Book Map Search New Search
Building Detail Results - Screen Produced   4/28/2026 8:59:44 PM 
 Account #:  R257131005 Bldg #2
Sketch

 Building #: 2
 Built As:  2 Story
 # of Stories:  2 Stories
 Square Feet:  2,851
 Year Built:  2008
 Remodel Year:   
 Building Name:   
 Alt Land Use Desc:  Agricultural Land
 Quality Desc:  Good
 Bldg Frame Description:  
 Foundation Desc:  Slab
 Bldg Exterior:  Frame Stucco
 Roof Type:  Gable
 Roof Cover:   Slate
 Avg Floor Height:  8
 Percent Sprinkled:  0
 Bldg Interior:  Drywall
 Total Rooms:  7
 # of Units w/Bedrooms: # of units (1) with 1 Bedrooms
 # of Baths:  (2)-Full, (0)-3/4, (1)-half
 HVAC Type:  Central Air to Air
 # of Fire Places:  2
 Percent Heated:  100
 Physical Condition:  Average
 # of Res Units:  1
 # of Comm Units:  0
 Commercial Desc:   
 Occ Type:  0100
 Commercial Class:  R
 MFG Home Length:  0
 MFG Home Width:  0

Photos

2023 

2022 

2021 

2020 

2019 

2019 

2018 

2017 

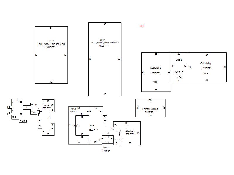
Garage, Porch, Basement, Storage, Utility etc.  (GLA=Gross Living Area    GBA=Gross Bldg Area)
Account # Feature Description Sqft/Area Number of Stories

R257131005

 GLA

 GLA

1,522 

1

R257131005

 GLA2

 2nd FL

1,329 

1

R257131005

 BsmtC8ft

 Bsmnt Conc 8 ft

792 

1

R257131005

 GarAttach

 Attached

790 

1

R257131005

 PorWood R

 Porch

766 

1

R257131005

 CarGable

 Gable

720 

1

R257131005

 PorWood R

 Porch

140 

1

Additional Details
Account #: Bldg # Description Qty # Of Units Description

R257131005

2

Allowance

1

Units

R257131005

2

Barn, Wood, Pole and Metal

1

2,800 

Square Feet

R257131005

2

Barn, Wood, Pole and Metal

1

3,600 

Square Feet

R257131005

2

Laundry Facility

1

Square Feet

R257131005

2

Outbuilding

1

1,728 

Square Feet