Larry Stein Oklahoma County Assessor (405) 713-1200 - Public Access System
Home Contact Us Guest Book Map Search New Search
Real Property Display - Screen Produced   4/27/2026 2:28:06 PM 
Account: R267031520  Type: Residential

  

Location:

19300 E RENO AVE

Building Name/Occupant:

 

UNINCORPORATED

Owner Name 1:  LIEBL DAVID W & DIANE M

Parcel PIN#:

1012-26-703-1520

Owner Name 2:    1/4 section #:

1012

Owner Name 3:    Parent Acct:

 

Billing Address:  19300 E RENO AVE Tax District:

City, State, Zip  HARRAH, OK  73045-9357 School System:

Choctaw #4

Country: (If noted)

  

Land Size:

2.0000  Acres

Personal Property

Land Value: 34,995 

Treasurer:

Sect 3-T11N-R1E Qtr NW

 POTTAWATOMIE TOWNSHIP   Block 000  Lot 000   Subdivision Sales
 Full Legal Description:  POTTAWATOMIE TOWNSHIP PT NW/4 SEC 3 11N 1E BEG 1017.54FT S & 251.28FT W OF NE/C NW4 TH W295.16FT S295.16FT E295.16FT N295.16FT TO BEG SUBJ TOESMTS OF RECORD

NOTE:  The following sales may or may not be used to determine Fair Market Value

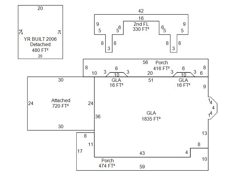
Photo & Sketch (if available) Sales  Sales Report

 18205 WHISPER CREEK DR UNINCORPORATED, OK

07/08/2025

 $325,000 

 23 LIBERTY LN UNINCORPORATED, OK

01/10/2025

 $480,000 

 18205 WHISPER CREEK DR UNINCORPORATED, OK

11/16/2023

 $312,000 

 21434 SE 15TH ST UNINCORPORATED, OK

03/26/2025

 $300,000 

 2507 FERGUSON DR UNINCORPORATED, OK

07/18/2025

 $352,500 

 518 HOUSER DR CHOCTAW, OK

08/18/2023

 $330,000 

Value History  (*The County Treasurer 405-713-1300 posts & collects actual tax amounts.  Contact information  HERE)
Year Market Value Taxable Mkt Value Gross Assessed Exemption Net Assessed Millage Est. Tax Tax Savings

2026

386,000 

286,570 

31,522 

1,000 

30,522 

117.21 

$3,578 

$1,399 

2025

403,000 

278,224 

30,604 

1,000 

29,604 

117.21 

$3,470 

$1,726 

2024

401,500 

270,121 

29,712 

1,000 

28,712 

116.35 

$3,341 

$1,798 

[1/10]
Property Account Status/Adjustments/Exemptions
Account # Exemption Description Amount

R267031520

3% Cap Homestead

R267031520

Homestead

1,000 

Property Deed Transaction History   (Recorded in the County Clerk's Office)
Date Type Book Page Price Grantor Grantee

2/25/1999

Historical

7528

226

 $200,000 

JEFF MOORE HOMES INC

LIEBL DAVID W & DIANE M

7/7/1998

Historical

7350

1048

 $0 

LIEBL DAVID W & DIANA M

JEFF MOORE HOMES INC

6/22/1998

Historical

7339

1432

 $0 

 

LIEBL DAVID W & DIANA M

Last Mailed Notice of Value (N.O.V.) Information/History
Year Date Market Value Taxable Market Value Gross Assessed Exemption Net Assessed

2026

02/06/2026

386,000 

286,570 

31,522 

1,000 

30,522 

2025

01/31/2025

403,000 

278,224 

30,604 

1,000 

29,604 

2024

01/22/2024

401,500 

270,121 

29,712 

1,000 

28,712 

[1/5]
Property Building Permit History
Issued Permit # Provided by Bldg # Description Est Construction Cost Status

11/1/2005

10314025

COUNTY

1

Storage Buil

10,000 

Inactive

Click button below to access detailed information and additional property photos:
  Bldg # Vacant/Improved Land Bldg Description Year Built SqFt # Stories

Click

1

Improved

1½ Story Fin

1998

2,197 

1.5 Stories